气动球阀是利用压缩空气进入气动执行器带动活塞运动,旋转或升降扭轴带动阀杆驱动的一种气动控制阀门。
气动球阀的工作原理是:
当气动控制装置控制阀杆时,阀杆会推动阀芯,阀芯会在阀座上移动,当阀芯移动到一定位置时,介质流量会受到控制,从而实现控制介质流量的目的。
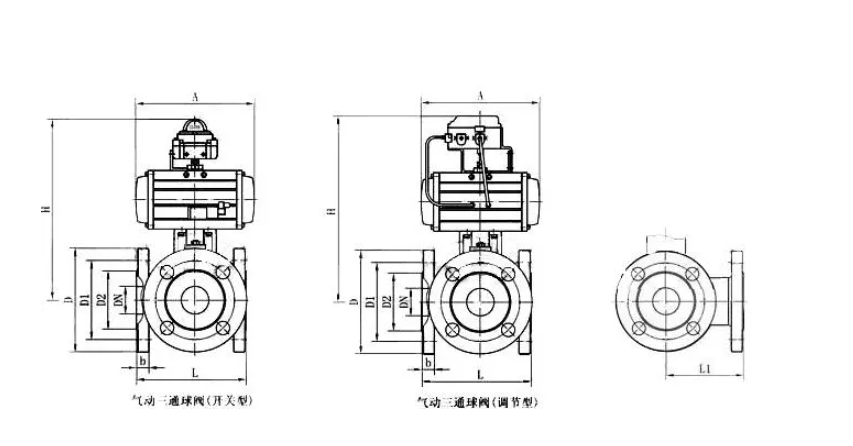
气动球阀结构图:

气动球阀是一种常用的控制介质流量的设备,它具有结构简单、操作灵活、可以实现连续调节、耐腐蚀性强、可以用于各种介质、可以实现远程控制、可以实现自动控制、可以实现安全可靠的控制等优点,可以广泛应用于各种工业场合。

【 微信扫码咨询 】
13295105805
作者:admin 浏览量:446 来源:本站 时间:2023-09-21 22:06:07
气动球阀是利用压缩空气进入气动执行器带动活塞运动,旋转或升降扭轴带动阀杆驱动的一种气动控制阀门。气动球阀的工作原理是:当气动控制装置控制阀杆时,阀杆会推动阀芯,阀芯会在阀座上移动,当阀芯移动到一定位置时,介质流量会受到控制,从而实现控制介质流量的目的。气动球阀结构图:气动球阀是一种常用的控制介质流量
气动球阀是利用压缩空气进入气动执行器带动活塞运动,旋转或升降扭轴带动阀杆驱动的一种气动控制阀门。
气动球阀的工作原理是:
当气动控制装置控制阀杆时,阀杆会推动阀芯,阀芯会在阀座上移动,当阀芯移动到一定位置时,介质流量会受到控制,从而实现控制介质流量的目的。
气动球阀结构图:

气动球阀是一种常用的控制介质流量的设备,它具有结构简单、操作灵活、可以实现连续调节、耐腐蚀性强、可以用于各种介质、可以实现远程控制、可以实现自动控制、可以实现安全可靠的控制等优点,可以广泛应用于各种工业场合。